Главная Маркетплейса







Кольца поршневые комплект дв. Cummins ISF 2.8 (На 1 поршень) Foton Aumark (2010-2025), ГАЗ Баргузин 2217 автобус (2010-2025), ГАЗ ГАЗель ( 3221,Бизнес, 2705,Бизнес, 3302,Бизнес) (2010-2025), ГАЗ ГАЗель Next ( A21,A22, С41, С42, A21,A22, С41, С42, Фермер, A60,A63, A64, A62,А65, A31,A32, C45, C46) (2013-2025), ГАЗ ГАЗель NEXT Citiline А68 (2020-2025), ГАЗ ГАЗель NN ( 220, 129,220,200) (2019-2025), ГАЗ Соболь ( 2217 Бизнес автобус, 2752,Бизнес, 2310,Бизнес) (2010-2025) (Оригинал) с доставкой в г. Кемерово
Варианты исполнения

HAFFEN, Ремонтные 0.50 мм

HAFFEN

Аналог

Оригинал
Характеристики
Код товара | 1000141283 |
Артикул, каталожный номер | 00341. Соответствует: 00341 |
Наименование | Кольца поршневые комплект дв. Cummins ISF 2.8 (На 1 поршень) (Оригинал) с доставкой в г. Кемерово |
Гарантия | 1 год |
Продавец | HAFFEN (100% положительных отзывов) Продаёт на АвтоТК более 5 лет Продал 64 товаров (3 недавно) |
Популярность предложения
Статистика продаж | Не было продаж |
Информация по наличию
Статус наличия | Временно отсутствует |
4 299₽
4 239₽ cо скидкой на первый заказ
доставим 

Сегодня
1 100₽
Через 2 недели
1 100₽
Через 4 недели
1 100₽
Через 6 недель
1 100₽

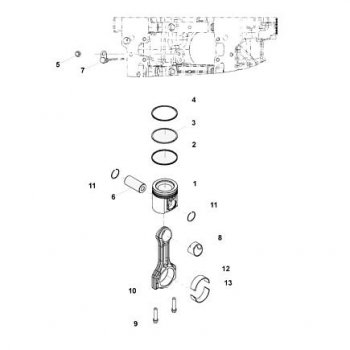
Кольца поршневые комплект (На 1 поршень) дв. Cummins ISF 2.8 Оригинал - являются одной из основных составляющих КШМ, предотвращают порыв газов из камеры сгорания в ка
ртер.
Техническая характеристика поршневых колец
Оригинал:
озиция на схеме: 2, 3, 4.
Комплектация поставки поршневых ко
лец Оригинал:
Применимость: